Mirror PC Technics

Software for Rollei TWIN Projectors

Slide show Software for Rolleivision 35 twin digital P

Unlike the controlling software from Rollei itself, DiaShow is not only reasonably priced, but also much more powerful and intuitive to use. It was developped for a (almost) computer illiterate (i.e it's very easy and self-explanatory to use), but it's just as comfortable for the expert user. There is context sensitive online help for every part of the program.
Here is a more complete program description. (in German) And here is a demoversion for you to try out. (Full version, except that saving to disk is disabled.):
Just send me an if you are interested.
Or call me:
Phone:
+49 89 74370665 (evening and answer machine)
Fax:
+49 89 74370666

Please note: NOW there is a demoversion (Full version, except that saving to disk is disabled) (in English!).

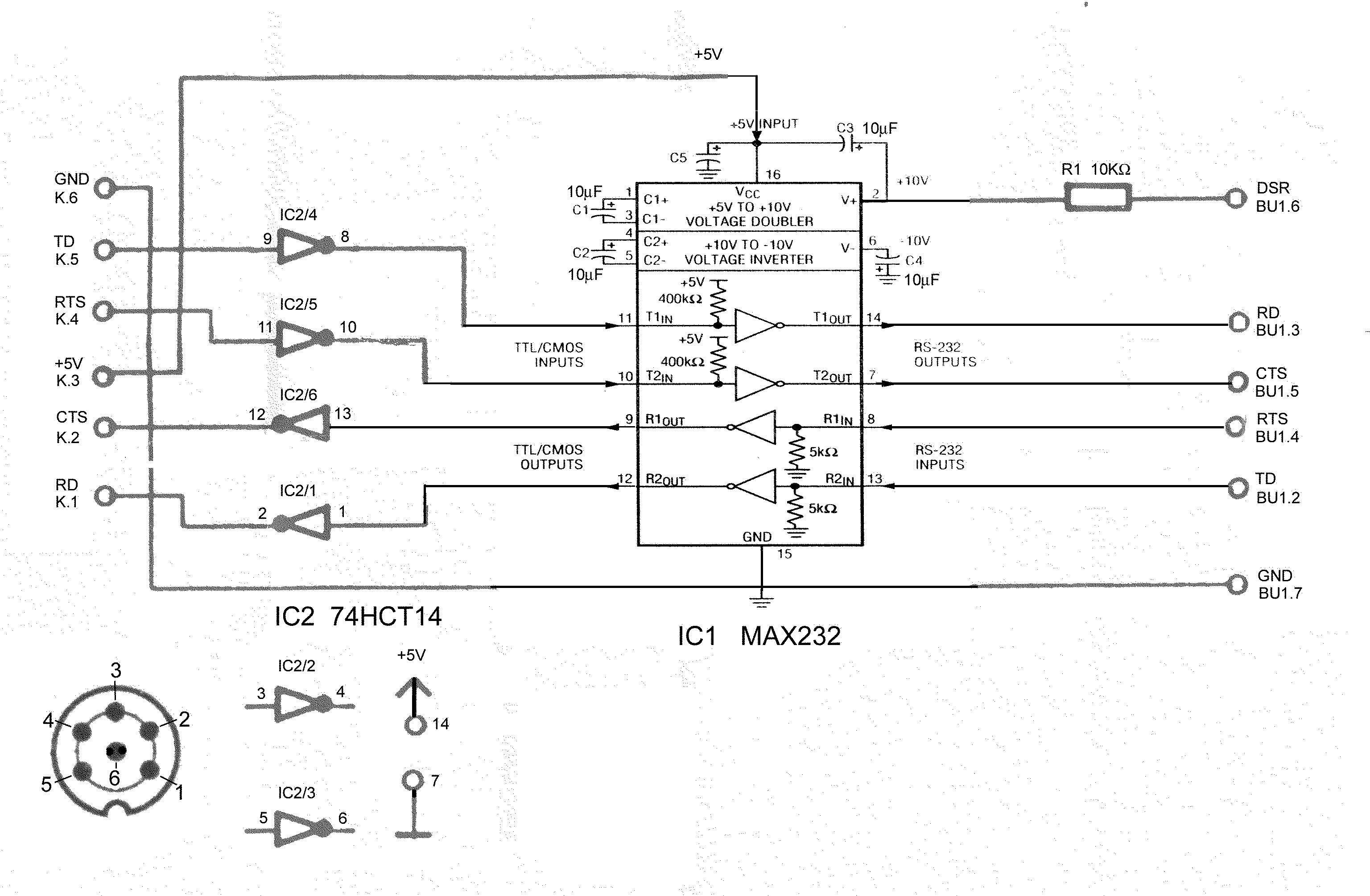
I do not sell the cable which is necessary to connect PC and projector, but one of my customers Stephan Dürr was so nice to send me the scanned circuit plan (55k) that he got from Rollei.

Update (11/2004): in the meantime my father in law improved it quite a bit so that it's a lot easier to understand: new version (87k)

Update (01/2023): Tobias Wolf wrote a python programm for controlling the projector and a web interface for it.

In case you wonder: The price is just Euro 40,- !
Now go and compare that to what Rollei charges for their program which is IMHO just a bad joke.


Homer


Slide show Software for Rollei MSC300P

Here is a (English and German) description of the program. And here is a demoversion for you to try out. (Full version, except that saving to disk is disabled.)
Version 2.11 now supports the following languages: German, English, Spanish, Dutch (and your own language if you take the time to translate a few strings!).

Here are two screenshots:
DiaShow Screenshot #1

You can see the automatic popup of the Quick-Help window for entering special functions. It always tries to be where it doesn't hide what you are currently looking at.

DiaShow Screenshot #2

Manual Mode, not as nifty as a graphical Windows-based approach, but it offers more control than any other program I have seen.

But better decide for yourself:
Download the demoversion and then just me if you are interested.
Or call me:
Phone:
+49 89 74370665 (evening and answer machine)
Fax:
+49 89 74370666

In case you wonder: The price is just Euro 50,- !
Now go and compare that to what Rollei charges for their program which is IMHO just a bad joke.

NOTE: DiaShow doesn't work on Windows 7 anymore but you can run it in a DOSBox, e.g. on Linux. Here is a description by Fred Rooks who did exactly that using an USB2serial adapter. Erhard Bollmann informed me that an additional "chmod 666 /dev/ttyS0" is necessary, thank you!!!

Other tools: My shareware and freeware


So far Many, many visitors since 30.August 1999.
, last updated: 19.Jan.2023